- Home
- AEG
- Cooker Electric
- Oven
- BSK892330M
- 944188065 00
BSK892330M — 944188065 00
AEG — Cooker Electric
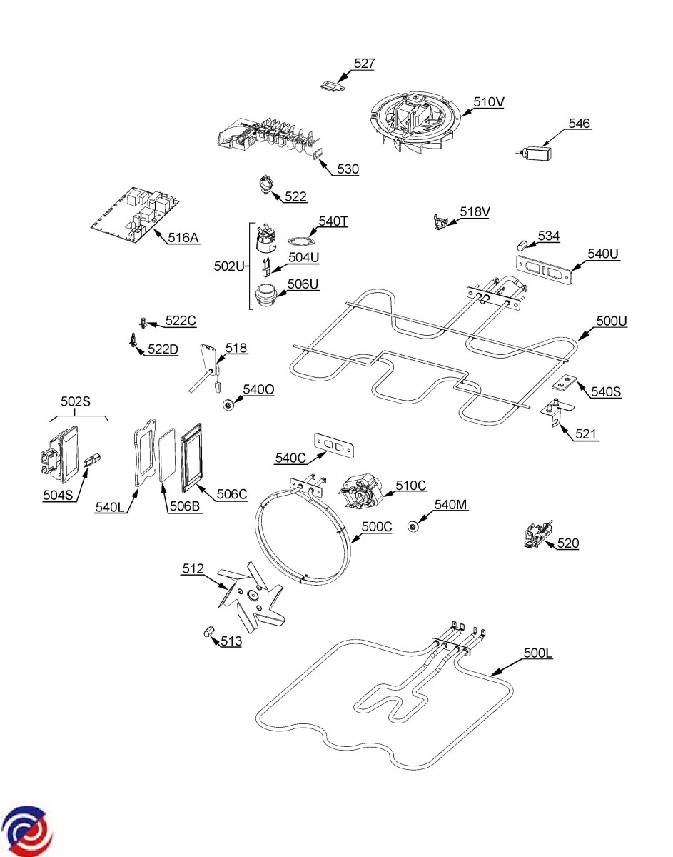
Parts for BSK892330M
W0017727 HINGE OVEN DOOR STEAM 4P
$31.55
W0023141 DOOR OVEN INNER GLASS
$126.00
W0023173 ELEMENT HEATING ROUND 240V 240
$82.85
W0026342 FRAME OVEN LAMP SIDE
$26.35
W0026348 DOOR GASKET STEAM 1540MM
$75.00
W0027111 TUBE CONNECTION
$47.30
W0030821 TRAY BAKING
W0114339 BUSH, FIXING, OVEN D41116
$8.00
W0114506 DOOR OVEN INNER GLASS
$120.00
W0147344 LAMP HALOGEN BULB 25W G9 230V
W0274530 HANDLE INOX
$132.00
W0274601 ELEMENT HEATING UPPER 2300W
$121.00
W0274627 GENERATOR STEAM
$221.00
W0274631 ELEMENT HEATING LOWER STEAM
$116.00
W0275423 MEAT THERMOMETER BLACK 480MM
W0017741 STOPPER DOOR RUBBER HIGH-TEMP
$7.00
W0017773 DUCT EXHAUSST SLIDER ASSY DC
$41.55
W0017802 GASKET HEATING ELEMENT UPPER
W0017804 GRID RIGHT STEAM
$97.45
W0017805 GRID LEFT STEAM
$97.45
W0017862 PAN DRIP PERFORATED PLATE
$415.00
W0023143 TOP COVER DOOR STEAM BLACK
$21.65
W0023154 BLADE FAN
$58.00
W0023157 COVER CONVECTION FAN
$165.00
W0023193 GRILL INSERT 415X330X39.5MM
$51.00
W0023211 CLAMP CABLE 22 MM
$4.50
W0023219 SOCKET MEAT THERMOMETER BLACK
$77.00
W0023912 SCREW DOOR HAND M4 X 50 PKT 5
$12.00
W0024454 GASKET BOLS
$27.50
W0026334 NUT CONVECTION FAN M6L
$7.00
W0026523 ACTUATOR EXHAUST DUCT
$30.00
W0026955 PIPE INLET STEAM
$57.00
W0026979 GASKET STEAM INLET
$4.00
W0027007 HUMIDITY SENSOR STEAM
$127.65
W0027034 TRIM DOOR BOTTOM STEAM
$34.00
W0027110 ACTUATOR DESCALING PIPE 220-24
$65.00
W0027120 SHIELD BOTTOM HEATER STEAM
W0027135 INLET VALVE WATER
$142.00
W0027173 TUBE GENERATOR 35MM D15/D20
$11.00
W0027178 CLAMP HOSE 16 5MM
$5.50
W0027179 CLAMP HOSE 20MM
W0027180 CLAMP HOSE 12MM
W0027205 TUBE WATER 310MM D16/D11MM
$26.40
W0027236 SUPPORT PIN DOUBLE 14 3MM
$9.00
W0027240 WATER TANK ASSEY INC SENSOR
$340.00
W0027245 GASKET CONVECTION HEATER
$16.90
W0027375 TUBE CLIP D20MM
W0101122 CABLE HOLDER
W0103044 GASKET,OVEN LAMP, SIDE
$30.00
W0105621 CLIP.FIXING.ELECTRONIC.I=22.9M
W0105622 CLIP FIXING ELECTRONIC1=12 7MM
$4.50
W0114396 LAMP 40W 230V HALOGEN GLOBE G9
W0114535 NUT UPPER HEATER
$5.50
W0114548 BOLT SIDE GRID
W0114561 GLASS, OVEN LAMP, HALOGEN
$12.00
W0114563 LAMP OVEN COMPLETE 40 W 240V
W0116500 KIT GASKET COVER CONVECTN FAN
$36.00
W0134346 GASKET OVEN LAMP TOP
$10.00
W0134485 PASTRY TRAY 463X385MM
W0147319 TELESCOPIC RUNNER SET OF 2
W0147326 ELBOW DESCALNG PIPE KIT SILICN
$37.40
W0147340 GLASS OVEN LAMP SIDE
$14.00
W0150372 CONVECTION MICRO-MOTOR.230V
W0274104 TERMINAL BLOCK 3 POL
$18.25
W0274421 GASKETDESCALING PIPE
$6.00
W0274434 DESCALING PIPE SILI
$53.00
W0274436 PANEL BACK OVEN
$171.70
W0274439 TRIM DECORATIVET
$10.00
W0274440 GASKET, SENSOR
W0274441 GASKET, MICROSWITCH
$50.00
W0274443 OVER HEAT KLIXON 110C GREEN
$25.00
W0274462 PAN DRIP 466X385X40 MM
$58.00
W0274473 POWER BOARD OVC5000
$378.00
W0274484 PANEL SIDE LH
$189.20
W0274485 PANELSIDE RH
$189.20
W0274486 PANEL BOTTOM
$174.00
W0274487 PANEL TOP
$210.00
W0274512 GLASS FRONT INOX 594 X470
$195.00
W0274550 PCB LED ITEX
$342.00
W0274555 ADAPTOR DOOR HANDLE
$5.50
W0274589 CAP DRAWER STEAM INOX
$242.00
W0274593 COVER UI ITEX
$18.00
W0274594 KNOB CONTROL ITEX
$295.00
W0274595 BRACKET FIXING
$15.00
W0274616 FRAME FRONT
$50.00
W0274619 SWITCH ASSY DOOR
$68.00
W0274647 HINGE OVEN DOOR STEAM 4P 6KG
$70.00
W0274654 PANEL CONTROL INOX 60CM
$300.00
W0274667 GLASS INNER SILK SCREENED
$102.00
W0274677 HARNESS PB - UI OVC5000
$23.50
W0274681 HOLDER HEATING ELEMENT
$5.00
W0274682 GASKET HOLDER
$5.00
W0274689 GRILL GRID 466X385 22
$90.00
W0274694 FAN COOLING ASSY 260 W
$111.00
W0274703 HARNESS OVEN LAMP
$30.00
W0274740 HARNESS PB - VALVE
W0275062 LAMP ASSY 25W
$18.00
W0275092 KIT SCRW COVER
$10.00
W0275338 SENSOR PT500 370MM
$65.00
W0275350 USER INTERFACE BOARD CONFIG
$925.00
W0275416 CONDENSER STEAM
$126.10
W0275429 ELBOW STEAM SILICN
W0275448 HARNESS PB - HUMIDITY SENSOR
W0275449 HARNESS PB - WL INDICATOR
W0275452 HARNESS PB - MICROSWITCH
$46.00