- Home
- WESTINGHOUSE
- Rangehood
- WRF603UW
WRF603UW
WESTINGHOUSE — Rangehood
Parts for WRF603UW
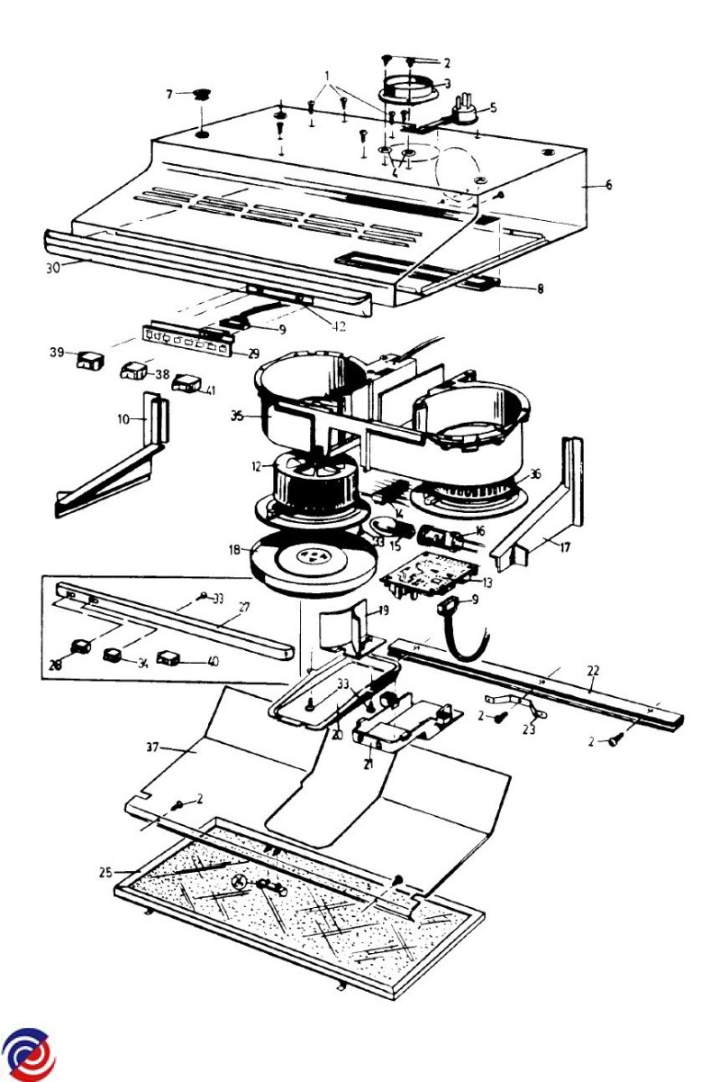
W0093152 SCREW M3.5 X 12PT WRF616UW
W0093153 SCREW M3.5 X 12PT WRF600UW
W0094525 LAMP 40W CANDLE SES
W0094763 GROMMET NUT SQUARE WRE916UW
W0095309 TERMINAL BLOCK WRF603UW
W0130462 SWITCH-FAN-WHITE
W0136946 SCREW-ZINC #6 X 6.3 WRE613UW
W0136952 SCREW-BLACK #6 X 9.5 WRE916UW
W0164574 DIFFUSER LIGHT WRE613UW
W0164578 SWITCH LIGHT WHITE WRE605IW
W0164607 INSERT FACIA WHITE WRF603UW
W0164613 MOTOR/FAN ANTICLOCK WHITE 27MM
W0164620 SWITCH BOOST WHITE WRE613UW
W0164665 FILTER CARBON ELECON WRE613
W0164686 FILTER 553X316X8.7MM 18LAYER
W0164704 MOTOR/FAN CLOCKWISE BLACK
W0164732 HOUSING DUAL FAN RCE6W
W0164733 ENDCAP AIR CHAMBER LH MOULDED
W0164734 END CHAMBER AIR RH. WRF616UW
W0164735 DEFLECTOR AIR MOULDED WRF616UW
W0164737 FLUE SPIGOT ROUND WRF600UW
W0164738 DUCT RECIRCULATING WRF616UW
W0164739 COVER ELECTRICAL MOULDED
W0164740 SPRING FILTER RETAINER
W0164741 SUPPORT FILTER FRONT WRF616UW
W0164742 LAMPHOLDER WRF605IW
W0164743 SERVICE CORD WRF600UW
W0164746 CHANNEL FILTER REAR WRF616UW
W0164751 KIT INSTALLATION WESTINGHOUSE
W0164761 PANEL AIR CHAMBER WRF600UW
W0164764 ESCUTCHEON PRINTED WHT (603)
